无源滤波器在UPS中的应用
摘要:介绍UPS谐波的来源,无源滤波器的基础知识和滤波原理,解释UPS使用中滤波器是否启用由负载决定的原理。
一、引言
随着对负载稳定性要求的不断提升,UPS已经成为保障机房设备稳定工作必不可少的组成,UPS作为整流和逆变的设备,不可避免的向电网中反馈谐波,UPS滤波也成为UPS使用中不可避免的问题。
二、电力谐波的产生和危害
电力谐波主要由非线性负荷产生。非线性负荷吸收的电流与端电压不成线性关系,结果电流发生波形畸变且导致端电压波形畸变。这种周期性的畸变波形可按基频(50Hz)展开成傅里叶级数形式,其大于基频的分量即为谐波。
谐波的危害:
1)大大增加了系统谐振的可能。谐波容易使电网与补偿电容器之间发生并联谐振或串联谐振。使谐波电流放大几倍甚至数十倍,造成过电流,引起电容器、与之相连的电抗器和电阻器的损坏。
2)使电网中的设备产生附加谐波损耗,降低发电、输电及用电设备的使用效率,增加电网线损。在三相四线制系统中,零线由于流过大量的3次及其倍数次谐波电流造成零线过热,甚至引发火灾。
3)谐波会产生额外的热效应从而引起用电设备(旋转电机电容器、变压器)发热,使绝缘老化,降低设备的使用寿命。
4)谐波会引起一些保护设备误动作,如继电保护,熔断器等。
5)谐波会导致电气测量仪表计量不准确。
6)谐波通过电磁感应和传导耦合等方式对邻近的电子设备和通信系统产生干扰,降低信号的传输质量,破坏信号的正常传递,甚至损坏通信设备。
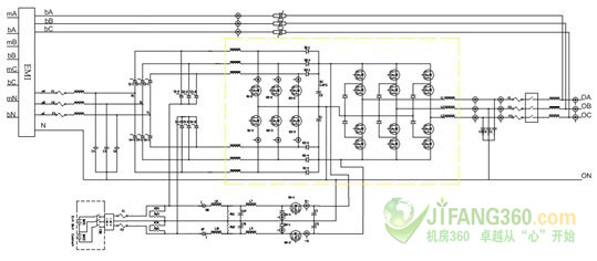
UPS整流部分现在主要使用6脉冲或12脉冲的SCR可控硅整流技术,分别会产生6n±1或12n±1次谐波,其中5次谐波或11次谐波是主要成分,是主要滤去的对象。如图1,所示为采用6脉冲SCR可控硅整流技术的UPS。
图1.艾默生ITA系列UPS主拓扑图
三、电力谐波管理制度
为了保证电网和用电设备的安全、稳定、经济运行,目前许多国家、国际组织以及一些大电力公司都制定了相应的谐波标准。如关于公用电网谐波限制的IEEE519-1992、GB/T14549-1993,关于用电设备谐波电流排放限制的IEC61000-3-2、IEC61000-3-4、GB/Z17625.1-2003、GB/Z17625.6-2003等等。虽然各谐波标准都不尽相同,但都是大同小异,且所有标准的都是基于以下三个目的:
(1)将电力系统电流和电压波形的畸变控制到系统及其所接设备能够允许的水平。
(2)以符合用户需要的电压波形向用户供电。
(3)不干扰其它系统(如通讯系统)的正常工作。
GB/T14549-1993《电能质量—公用电网谐波》是现行电力谐波监督管理的国家标准。除要求电网各级电压的谐波水平不超出国标限值外,要求用户注入公用电网的谐波电流不超出国标允许值。否则应采取治理措施。
四、谐波的治理
1.对于帮助电路提高功率因数的补偿电容会与电路中阻抗发生并联谐振,导致谐波放大。
2.解决补偿电容器引起谐波放大问题的有效方法是在电容器支路中串联适当电抗器。串联电抗器L后,系统并联谐振频率f0向低频方向移动,其中
则为滤波电路发生谐振频率的值。
3.无源电力滤波器一般不可与常规无功补偿电容器并联运行,否则仍会导致谐波放大。
4.无源滤波器的基波无功容量应符合系统无功补偿需求。
针对串联电抗介绍下面参数:
电抗系数K%:
其中:XL为感抗XC为容抗
电抗系数K%与调谐频率的关系:
其中:fres为调谐频率fe为调谐频率
根据上两式可以看出,电抗系数的增大则谐振频率向低频移动,利用电抗系数可以调节谐振频率。
K%系数的确定:
电网的一般情况是:5次谐波最大、7次次之、3次较小。因此工程中,选用K=4.5~6.7%的电抗器较多,国际上也通常采用。配置6%的电抗器抑制5次谐波效果好,但有明显的放大3次谐波作用。它的谐振点(204HZ)远离5次谐波的频率(250HZ),裕量较大。配置4.5%的电抗器对3次谐波放大轻微,因此在抑制5次及以上谐波,同时又兼顾减小对3次谐波的放大,在这种情况下是适宜的,但它的谐振点(235HZ)与5次谐波的频率间距较小。当系统中背景谐波为3次及以上时,应配置电抗率为12%的电抗器,由于近年来不少3次谐波源的电气设备不断增多,使系统的3次谐波不断增大,尤其是楼宇、冶金行业这个现象不能忽视。
总之配置电抗器的原则:一定要根据系统背景谐波含量来综合考虑而确定。
五、负载对滤波器效果的影响
根据现场整流器选择相应的滤波器,滤波器应使谐振频率小于谐波频率而大于基波频率,传递函数波形的峰值是否尖锐取决于品质因数Q,品质因数的定义是:无功功率/有功功率,直观的表现是传递函数是尖锐还是平缓,串联LC滤波电路则Q与电阻R成反比,并联LC滤波电路则Q与电阻R成正比,实际应用中滤波器是并联在UPS电路中,当UPS带载小于30%时,传递函数平缓,Q较小,则有部分谐波在传递函数放大区域被放大,此时开启滤波器不仅不能净化电网反而引起更大的谐波干扰,在实际工程应用中,客户经常会有这样的疑问,一般建议客户的后端负载增加至60%~70%左右时再开启滤波器,此时Q值较高,传递函数尖锐可以有针对性的滤除主要谐波。
六、结语
无源滤波器由于结构简单,对于固定次谐波的滤除效果优异,在实际使用中具有很大优势,在目前大多数UPS采用无源滤波器运行的情况下,UPS技术人员应在了解滤波器原理的基础上合理使用滤波器,为客户答疑解惑,保障设备稳定运行是技术人员的职责。



.png)





